قیف ساز تمام خودکار کیسه پلی پروپیلن - مدل جدید (Model : CVS-20)

Auto Valve Forming Line(Cutting, Valve Forming, Two End Sewn)

Model No :CVS-20                                   دانلود کاتالوگ

دستگاه قیف ساز تمام خودکار کیسه های پلی پروپیلن جهت فرآوری کیسه های تولید شده با دستگاه گاست کن رول به رول (TRG-700) به کار می رود که قیف را در بالای کیسه ایجاد کرده و تا زده و هر دو سمت کیسه را می دوزد :                        

رول گیر با برش سرد                                                

برش سرد L شکل                                                        

قیف ساز تمام خودکار                                                   

یک لاکن ته کیسه و دوخت دو سر کیسه                              

دسته بندی و شمارش کیسه های تولیدی                               

مشخصات اصلی

عرض کاری : 320-450 میلیمتر                                      

طول کاری : 680-1000 میلیمتر                                     

سرعت تولید : 18-20 کیسه در دقیقه                                  

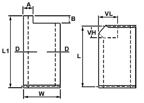
ابعاد کیسه قیف دار

Size

Min (میلیمتر)

Max (میلیمتر)


》 A
70
110

》 B
50
120

》 عمق گاست D
40
90

》 عرض کیسه W
350
480

》 طول قیف VL
120
200

》 ارتفاع قیف VH
100
140

》 طول کیسه اولیه L1
680
1180

》 طول کیسه L
680
1000

VH=(A+D)-35
VL=A+B

تصاویر

Valve Forming Line